Móng băng 1 phương là gì? Tìm hiểu cấu tạo ứng dụng trong thực tế

Cẩm nang xây nhà
0
9783
huyen - 29/11/2023

Móng băng 1 phương là loại móng cơ bản dùng để xây dựng được một ngôi nhà, được thiết kế nằm phần dưới cùng của toàn bộ công trình xây dựng. Cùng Kiến trúc Vinavic tìm hiểu móng băng 1 phương là gì? Cấu tạo đặc điểm và ứng dụng của loại móng này trong bài viết dưới đây.

Móng băng 1 phương là gì? Tìm hiểu cấu tạo ứng dụng trong thực tế
Móng băng 1 phương là gì? Tìm hiểu cấu tạo ứng dụng trong thực tế

Móng băng 1 phương là gì?

Móng băng 1 phương là móng có hình dạng trải dài theo phương ngắn (phương dọc hoặc phương ngang) của ngôi nhà, là loại móng cơ bản nhất dùng để giữ vững công trình và nâng đỡ toàn bộ kết cấu của ngôi nhà.
Móng băng gồm 2 bộ phận dầm móng và cánh móng. Bán móng chạy kết hợp với móng thành khối dầm móng và được chia thành 3 loại theo độ cứng như sau:

  • Móng kết hợp
  • Móng cứng: trong trường hợp chiều sâu đặt móng nông
  • Móng mềm: phù hợp với điều kiện chiều sâu đặt móng lớn để giảm chi phí thi công

Tùy vào điều kiện địa hình, quy mô, diện tích công trình, cũng như độ bền, độ cứng, độ lún của nền đất ở khu vực xây dựng mà sẽ lựa chọn loại móng băng phù hợp để đảm bảo độ an toàn cho công trình.

Móng băng 1 phương là gì?

So với những loại móng khác như móng cọcmóng bè thì móng băng được dùng khá phổ biến vì biện pháp thi công khá đơn giản. Độ lún đều hơn & tiết kiệm chi phí. Nhưng khi xây dựng nhà cần lưu ý chọn lựa móng băng một cách hợp lí, tiêu chuẩn móng băng phù hợp với chiều rộng nhỏ hơn 1,5m.

Xem thêmMóng nhà có nhiệm vụ gì? Tìm hiểu các loại móng nhà thông dụng

Tìm hiểu cấu tạo móng băng 1 phương

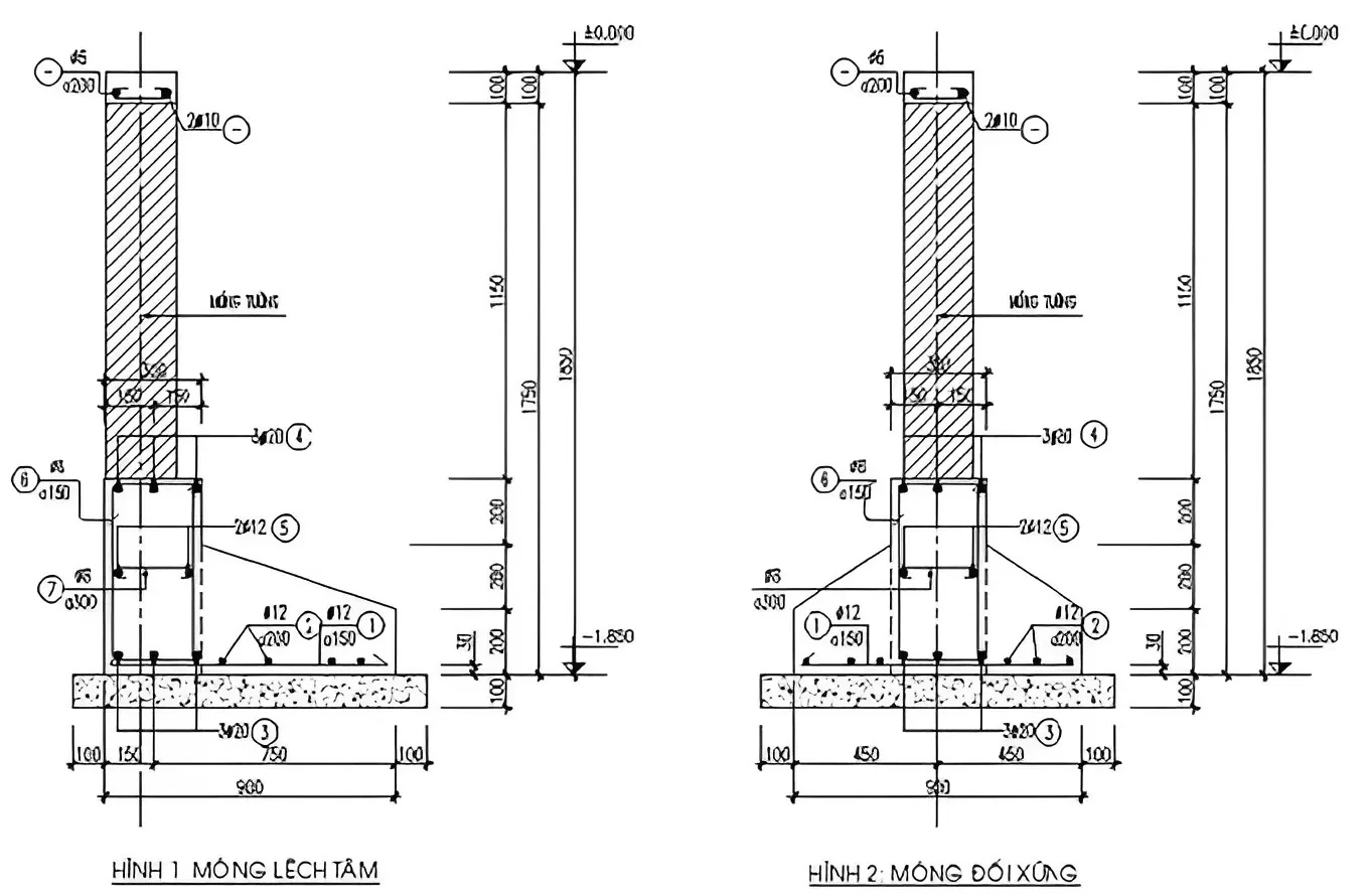
Cấu tạo móng băng 1 phương gồm lớp bê tông lót móng, bản móng chạy liên tục liên kết móng thành một khối, dầm móng.

  • Bê tông lót dày: 100mm
  • Kích thước bàn móng phổ thông: (900 – 1200) x 350 (mm)
  • Kích thước dầm móng phổ thông: 300 x (500 – 700) (mm)
  • Thép bàn móng phổ thông: Φ 12a150
  • Thép dầm móng phổ thông: thép dọc 6 Φ (18 – 22), thép đai Φ 8a150
Tìm hiểu cấu tạo móng băng 1 phương

Lưu ý: Đây chỉ là những số liệu cơ bản nên tùy vào địa chất khu vực xây dựng, loại hình công trình mà các chỉ số này có thể thay đổi sao cho phù hợp.

Ưu và nhược điểm của móng băng 1 phương

Ưu điểm 

Sử dụng móng băng 1 phương giúp cho sự liên kết giữa tường và cột trở nên chắc chắn hơn theo phương thẳng đứng, hạn chế hiện tượng lún, lệch giữa các cột làm giảm áp lực cho đáy móng. Bên cạnh đó, loại móng này còn có tác dụng truyền tải trọng lượng công trình xuống nền đất đều và ổn định

Móng băng áp dụng cho công trình nhà phố từ 2 – 3 tầng trở xuống và phải có nền đất cứng hoặc được gia cố.

Ưu điểm của móng băng 1 phương

Nhược điểm 

  • Kích thước chiều sâu của móng băng khá nhỏ nên tính ổn định, khả năng chống lật, chống trượt của móng chỉ ở mức tương đối.
  • Không thích hợp cho những khu vực có nhiều bùn, nền đất quá yếu
  • Nền đất có mạch nước ngầm nằm sâu bên dưới thì quá trình thi công sẽ phức tạp hơn.
Nhược điểm của móng băng 1 phương

Ứng dụng trong thực tế của móng băng 1 phương 

Mặc dù có nhiều ưu điểm nhưng không phải công trình nào cũng sử dụng được móng băng 1 phương. Loại móng này chỉ thực sự phù hợp để xây dựng nhà phố. Vì vậy thiết kế móng băng thường áp dụng cho những công trình tầm trung, tức từ 3 tầng trở lên.

Ứng dụng trong thực tế của móng băng 1 phương 

Còn đối với các căn nhà cấp 4 (1,2 tầng) thì người ta dùng móng cốc. Ngoài ra có thể áp dụng cho các công trình khác như thiết kế biệt thự hay biệt thự nhà vườn...

Biện pháp thi công móng băng 1 phương tiêu chuẩn

Một số tiêu chuẩn trong khi thi công

  • Chiều sâu đặt móng lớn, cần dùng móng băng mềm, lúc này chi phí thi công cũng được tiết kiệm
  • Chiều sâu đặt móng nông, nên dùng móng 1 phương bê tông cốt thép
  • Móng nhà liền kề cần cường độ cao, dùng móng bê tông cột thép. Cốt thép móng liên kết với cốt thép cột
  • Thi công nhà có tầng hầm, móng băng 1 phương phải đặt sâu hơn so với nền của tầng hàm >=0,4m, đỉnh móng nằm sâu dưới sàn

Các hàng tường/ cột có 2 phương thì dải móng băng giao nhau phải có dạng ô cờ. Móng băng hồi nhà tốt hơn móng băng tường ngăn và móng dọc nhà.

Một số tiêu chuẩn trong khi thi công

Quy trình thi công móng băng

Giải phóng mặt bằng

Đây là công việc đầu tiên cần phải chuẩn bị khi thi công làm móng băng 1 phương. Mặt bằng được giải phóng sạch sẽ giúp cho bạn xác định được vị trí cần đóng cọc, vị trí tạo móng băng.

Vật liệu bao gồm: Xi măng, thép, cát, đá… Số lượng nguyên vật liệu, máy móc, trang thiết bị phục vụ công tác thi công sẽ được tính toán dựa vào bản thiết kế móng băng và khối lượng vật tư thi công của công trình

Giải phóng mặt bằng trước khi thi công móng băng

Đào hố móng và làm phẳng mặt hố

Để hố móng được đào một cách chuẩn xác nhất thì cần tiến hành cắm mốc trước khi đào. Tùy vào công trình lớn hay nhỏ thì sẽ đào hố móng với một độ sâu thích hợp, tránh trường hộp đào sâu hoặc quá nông. Phải đảm bảo kích thước móng đạt tiêu chuẩn, phù hợp với chiều rộng 1,5m

Tiếp theo là công tác làm phẳng mặt hố, tiến hành chỉnh sửa lại hố móng cho gọn gàng và bằng phẳng giúp cho những bước thi công tiếp theo được thuận tiện và nhanh chóng

Đào hố móng và làm phẳng mặt hố

Bố trí thép móng băng

Khi thực hiện gia công cốt thép thì nên tuân thủ theo đúng thiết kế.

  • Kiểm tra kỹ thép sử dụng có đạt tiêu chuẩn, chủng loại, độ dẻo dai, dễ uốn nắn
  • Bề mặt thanh thép phải sạch, thanh nào bị gỉ, bám bẩn thì cần phải vệ sinh sạch sẽ
  • Bố trí lắp đặt thép đúng vị trí, số lượng, và đúng quy cách theo thiết kế của khung kết cấu
Thực hiện gia công cốt thép của phần móng băng

Ghép cốt pha móng

Đây được xem là một công đoạn cực kỳ quan trọng ảnh hưởng đến độ bền chắc của công trình. Ở bước này, các công nhân khi thi công phải cẩn trọng và tỉ mỉ trong quá trình lắp dựng.

  • Lựa chọn các loại cốt pha còn nguyên vẹn, không bị cong vênh, mục nát… Cần phải đảm bảo khung cốt pha không bị xê dịch trong quá trình thi công thì có thể sử dụng các thanh gỗ chống để gia cố.
  • Những tấm cốt pha sẽ được ghép chặt vào nhau sau đó bắn ốc vít để tránh trường hợp cốt pha bị bung ra khi đang đổ bê tông. 
  • Phần tim và cột móng phải được giữ cố định ở một vị trí. Khi đã định vị đúng cao độ thì có thể tiến hành bước tiếp theo
Ghép cốt pha cho phần móng băng là giai đoạn vô cùng quan trọng

Đổ bê tông móng băng

Sau khi đã lắp đặt cốt pha thì đến giai đoạn cuối cùng là đổ bê tông móng băng:

  • Bê tông được sử dụng phải đúng tiêu chuẩn, không lẫn tạp chất, khi nhào trộn bê tông cần tuân thủ đúng tỉ lệ, quy cách
  • Trong quá trình thi công không nên đứng trực tiếp lên thành cốt pha mà hãy bắt sẵn những thanh gỗ để nhân công đứng lên cho an toàn, tránh hiện tượng làm sai lệch các kết cấu đã lắp đặt từ trước.
  • Về mặt kỹ thuật, khi tiến hành đổ móng cần thực hiện theo nguyên tắc từ xa đến gần.

Xem thêm: Các loại móng nhà được sử dụng phổ biến hiện nay

By https://vinavic.vn/
https://vinavic.vn/

Đánh giá - Bình luận
0 bình luận, đánh giá về Móng băng 1 phương là gì? Tìm hiểu cấu tạo ứng dụng trong thực tế
Nhấn vào đây để đánh giá
Thông tin người gửi
Phong thủy
Chúng tôi có thể hỗ trợ bạn!
1.25419 sec| 2438.445 kb